SRSC45H1 container reach stacker crane main body Q

| 1 | 13572974 | 动力系统 |
| 2 | 13061144 | 工作油箱总成 |
| 3 | 13046615 | 转向桥 |
| 4 | 13571846 | 车架总成 |
| 5 | 12370923 | 驾驶室分总成 |
| 6 | 10422631 | 操纵台总成 |
| 7 | 13573135 | 空调系统 |
| 8 | 13114711 | 臂架总成 |
| 9 | 13646779 | SDJ450FA吊具主体 |
| 10 | A810103070033 | 行驶系统 |

11 12602674 液压系统
12 10945119 燃油箱总成
13 10679877 驾驶室移动机构
14 12617059 润滑系统
15 10557614 灭火系统
16 10117173 铭牌总成
17 13127621 电气系统

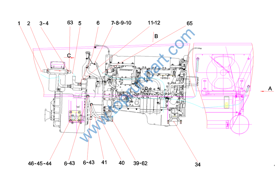
1 13571912 发动机变速箱总成 1
2 12447083 燃油总成 1
3 13572118 散热总成 1
4 13572217 进气总成 1
5 13572789 排气总成 1
6 60014677 管夹体 3
7 60014672 管夹体 1

B230103002607 胶管Q/SY1102
A820205001462 出油管接头
A229900005971 螺栓 10.9级 镀锌
A210401000003 垫圈
21027073 胶管1SN32-DKOL-DKOL90-600Q/SY1102
B210780000671 端直通接头GEOL15/16-12UNF-LM45
A210111000089 螺栓
A210401000017 垫圈
A210405000007 垫圈
A210307000012 螺母
A820205001862 压力传感器接头
A210434000006 垫圈
60100352 减震器 刚度2500
10223499 变矩器油管管夹支座
60013088 胶管2SN32-DKOL-DKOL90-3500Q/SY1102
60032045 胶管Q/SY1102
A210434000015 垫圈
A829900001453 螺栓
A210401000006 垫圈
A210405000008 垫圈
60165344 管夹体SP650.8-PP DP-AS
B210780000030 直角组合接头
| 60330116 | 机油尺组件US TAD1151VE |

13 60265416 发动机TAD1151 265kW Stage A VOLVO
14 A210111000243 螺栓
15 A210401000004 垫圈
16 A210405000003 垫圈
17 13571283 发动机左支架
18 60308536 变速箱15.5HR36432-36 DANA
19 A210204000161 螺钉M10×25GB70.1
20 A210405000011 垫圈
21 A210401000001 垫圈
22 A810102060047 滤油器支架
23 A829900001449 螺栓
24 13029333 变速箱左支架
25 13029336 变速箱右支架
26 A210110000058 螺栓M18×60GB5783
27 A210401000005 垫圈
28 A229900001360 垫圈
29 A210307000004 螺母M18GB6170
30 13571273 发动机右支架
31 A210111000224 螺栓M22×50GB5783 10.9级
32 A210401000007 垫圈22GB93
33 A820102010510 垫圈
37 A210401000002 垫圈
| 38 | A210405000001 | 垫圈 |
| 64 | A210111000221 | 螺栓M20×50GB5783 10.9级 |
| 67 | A210110000009 | 螺栓 |
| 68 | A210307000031 | 螺母M12GB6170 10级 |

35 11055423 变矩器油管管夹支座
36 A210204000020 螺钉M12×25GB70.1
37 A210401000002 垫圈
38 A210405000001 垫圈
42 A820606030987 减震器ZA-39-60
66 13889399 变速箱压力传感器线束支架

20 A210405000011 垫圈
47 A210111000120 螺栓M10×45GB5783 10.9级
48 A229900005830 螺栓M10×1.25×40GB5786 10.9级
49 10808146 变速箱机油管固定
50 A210608000067 O形圈
51 10514233 加油盖
52 11325602 加油口
53 12576419 支架
54 11337544 胶管
55 12575131 支架
56 11337574 胶管
57 12575183 机油口钢管
58 10514234 接头
59 A229900002838 喉箍φ27-φ51JB8870
60 11597856 机油尺套件SRSC45C.1-6
61 A210404000003 垫圈
