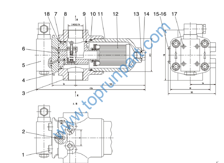
SRSC45H1 container reach stacker crane main body QE

| 序号 | 代码 | 名称 |
| 1 | A210204000197 | 螺钉 |
| 2 | A210204000258 | 螺钉M4×16GB70.1 |
| 3 | 60136463 | 滤头PLF-C30-1 黎明 |
| 4 | 60136460 | 盖 黎明 |
| 5 | A240500000033 | 发讯器 |
| 6 | 29001672 | O形圈14×2.4GB1235 |
| 7 | A210609000199 | O形圈 |
| 8 | 60136468 | 旁通阀 黎明 |
| 9 | A210608000074 | O形圈 |
| 10 | A210609000132 | O形圈61.5×3.55GB3452.1 |
| 11 | 60136476 | 壳体 黎明 |
| 12 | A222100000148 | 滤芯 |
| 13 | A210434000007 | 垫圈 14JB982 |
| 14 | A210333000010 | 螺塞 |
| 15 | 60136489 | 标牌 黎明 |
| 16 | A210510000010 | 铆钉 |
| 17 | A210204000120 | 螺钉M5×35GB70.1 |
| 18 | 60136486 | O形圈 黎明 |

| 序号 | 代码 | 名称 |
| 1 | B229900000045 | 蓄能器 |
| 2 | A820101320714 | 安装板 |
| 3 | A210111000089 | 螺栓 |
| 4 | A210401000017 | 垫圈 |
| 5 | A820205001856 | 接头体 |
| 6 | A210434000013 | 垫圈27JB982 |
| 7 | 13424466 | 橡胶护套 |

| 序号 | 代码 | 名称 |
| 1 | B220401000105 | 溢流阀 |
| 2 | B210770000084 | 测压接头 |
| 3 | B210780000036 | 端直通接头 |
| 4 | B220401000536 | 减压阀 |
| 5 | B210780000053 | 端直通接头 |
| 6 | B220400000421 | 单向阀阀芯 |
| 7 | 10056401 | 卡套 |
| 8 | B210780000201 | 螺塞 |
| 9 | B220401000046 | 梭阀 |
| 10 | B210780001286 | 管接头 |
| 11 | B210780000609 | 螺塞 |
| 12 | A210204000031 | 螺钉M12×90GB70.1 |
| 13 | B220401000539 | 单向阀 |
| 14 | 12947032 | 先导阀块 |
| 15 | B210780000232 | 端直通接头 |

| 序号 | 代码 | 名称 |
| 1 | 60024203 | 管夹体 |
| 4 | 60165334 | 单联管夹TLPG16-218 |
| 6 | 60165343 | 管夹体SP538-PPH DP-AS |
| 7 | 60014676 | 管夹体 |
| 8 | 60165336 | 管夹体SP325/25-PP DP-AS |
| 10 | A820101350330 | 伸缩系统管夹盖板 |
| 11 | A820101350536 | 伸缩系统管夹体2 |
| 13 | A820101350550 | 伸缩系统管夹体3 |
| 14 | A820101350551 | 伸缩系统管夹体 |
| 15 | A210110000218 | 螺栓M10×80GB5782 |
| 16 | A210401000001 | 垫圈 |
| 17 | A820601991103 | 伸缩系统管夹体4 |

| 序号 | 代码 | 名称 | 数量 |
| 1 | 60024203 | 管夹体 | 18 |
| 2 | 60202488 | 支撑轨螺母M8-SM2-5DMW3 | 3 |
| 3 | 60202487 | 支撑轨螺母 | 4 |
| 4 | 60165334 | 单联管夹TLPG16-218 | 20 |
| 8 | 60165336 | 管夹体SP325/25-PP DP-AS | 10 |
| 9 | 60165337 | 管夹体SP428/28-PPH GD-AS | 2 |

| 序号 | 代码 | 名称 | 数量 |
| 1 | 60024203 | 管夹体 | 18 |
| 4 | 60165334 | 单联管夹TLPG16-218 | 20 |
| 6 | 60165343 | 管夹体SP538-PPH DP-AS | 10 |
| 7 | 60014676 | 管夹体 | 7 |
| 18 | A210204000116 | 螺钉M5×16GB70.1 | 4 |
| 19 | A820101350321 | 管夹盖板 | 2 |
| 20 | A210111000029 | 螺栓 | 6 |
| 21 | A210404000003 | 垫圈 | 6 |
| 22 | 12768531 | 吊具组合管夹体 | 2 |
| 23 | 12768533 | 吊具组合管夹体 | 2 |

| 序号 | 代码 | 名称 | 数量 |
| 1 | 60186271 | 管夹体SP430/30-PP GD-AS | 5 |
| 2 | 60014674 | 管夹体 | 5 |
| 3 | A210204000117 | 螺钉M5×20GB70.1 | 7 |
| 4 | 13867619 | 臂架管夹盖板 | 5 |
| 5 | A210111000029 | 螺栓 | 10 |
| 6 | A210404000003 | 垫圈 | 15 |
| 7 | 13867741 | 臂架组合下管夹 | 5 |
| 8 | 13867742 | 臂架组合上管夹 | 5 |
| 9 | A820101350327 | 管夹盖板 | 1 |
| 10 | A210111000030 | 螺栓M10×55GB5783 | 3 |
| 11 | A210401000001 | 垫圈 | 3 |
| 12 | A820101350328 | 组合管夹体 | 1 |
| 13 | A820601991102 | 组合管夹体 | 1 |
| 14 | 60165343 | 管夹体SP538-PPH DP-AS | 3 |
| 15 | A210204000486 | 螺钉M6×60GB70.1 10.9级 | 6 |
