
序号 零件号 名称 备注 数量 页码
1 60238742 蒸发器总成 1 2-90
2 60166393 钢带式弹性卡箍 4
3 13377479 蒸汽胶管 2
4 60213359 排水管 1
5 24002251 螺钉 1
6 24000632 垫圈 7
7 60250668 压板接头 1
8 A210111000293 螺栓 4
9 60060565 垫圈 10
10 24000509 弹簧垫圈 4
11 60220103 螺钉 4
12 13251493 方垫 1
13 A210111000347 螺栓 1
14 60250669 外气过滤器 1
15 11648716 护套 1
16 A210111000195 螺栓 12
17 24000637 垫圈 15
18 60119587 线夹 9
19 60086357 线夹,线卡 10
20 11169935 橡胶护套 2
21 A210307000028 螺母 1
22 13278016 压缩机支架 1
23 A210111000208 螺栓 5
24 A210444000001 垫圈 5
25 A210111000323 螺栓 6
26 13277347 固定支架Ⅰ 1
27 A210111000101 螺栓 5
28 A210491000121 垫圈 5
29 10143993 调整板 1
30 60250667 液体胶管 1
31 60149605 线夹 3
32 A820606030056 护孔环 1
33 B229900005141 储液器 1
34 A229900008784 储液器支架 1
35 A210111000343 螺栓 4
36 24000633 垫圈 8
37 A210111000081 螺栓 4
38 A210111000082 螺栓 2
39 60086355 线夹,线卡 3
40 13277351 固定支架Ⅲ 1
41 13277349 固定支架Ⅱ 1
42 B230106000058 汽车V带 1
43 60250665 排气胶管 1
44 60250664 吸气胶管 1
45 A210108000097 螺栓 4
46 B220203000007 压缩机 1
47 A210111000197 螺栓 3
48 60250666 液体胶管 1
49 A220700000028 冷凝器 1
50 11133754 护套 1
51 60239244 空调控制器 1
52 A240600000249 温度传感器 1
53 B240600000334 日照传感器 1

序号 零件号 名称 备注 数量 页码
1 141501000099A035 蒸发器 1 2-92
2 141501000099A031 风机总成 1 2-96
3 60049950 带垫圈自攻螺钉(D5 L16) 2
4 141501000099A030 空调线束 1
5 60278857 内气滤网 1
6 141501000099A002 继电器 1
7 141501000099A008 海绵条 1
8 141501000099A003 海绵条 1
9 141501000099A006 海绵条 1
10 141501000099A007 海绵条 1
11 141501000099A004 海绵条 1
12 141501000099A005 海绵条 1
13 141501000099A001 海绵条 1

序号 零件号 名称 备注 数量 页码
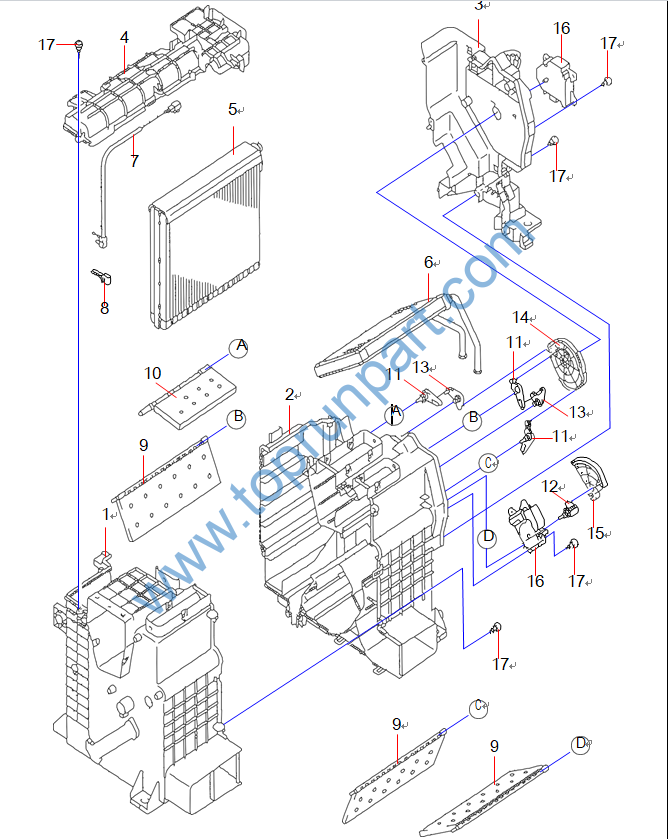
1 141501000099A009 蒸发器壳体(吹脸侧) 1
2 141501000099A040 蒸发器壳体(连接侧) 1
3 141501000099A033 蒸发器壳体(罩) 1
4 141501000099A010 盖板 1
5 141501000099A038 蒸发器芯体总成 1 2-94
6 60278859 暖风芯子 1
7 141501000099A021 防结霜传感器 1
8 60088095 夹子 1
9 141501000099A025 风门 3
10 141501000099A024 风门 1
11 141501000099A022 连杆 3
12 141501000099A026 连杆 1
13 141501000099A019 连杆 2
14 141501000099A027 连片 1
15 141501000099A029 连片 1
16 141501000099A041 伺服马达 2
17 60049965 自攻螺钉 26

序号 零件号 名称 备注 数量 页码
1 141501000099A037 蒸发器芯体 1
2 60153192 O型环 2
3 60153193 O型环 2
4 141501000099A034 膨胀阀 1
5 141501000099A036 衬垫 1
7 60153215 螺栓 4
8 141501000099A032 衬垫 1
9 141501000099A020 膨胀阀护帽 1

序号 零件号 名称 备注 数量 页码
1 141501000099A028 风机壳体(下) 1
2 141501000099A023 风机壳体(中) 1
3 141501000099A018 风机壳体(上) 1
4 60278858 风机马达 1
5 141501000099A017 调速模块 1
6 141501000099A016 伺服马达(内外气) 1
7 141501000099A015 金属连杆 1
8 141501000099A011 连杆 1
9 141501000099A012 风门 1
10 60049950 带垫圈自攻螺钉(D5 L16) 3
11 141501000099A042 内气传感器 1
12 141501000099A013 内气传感器支架 1
13 60049965 自攻螺钉 15
14 141501000099A002 继电器 1
15 141501000099A014 衬垫 1

序号 零件号 名称 备注 数量 页码
1 60283709 先导阀 1 2-106
2 11571909 联接块 2
3 A210111000012 螺栓 4
4 A210491000120 垫圈 12
5 B230103004288 胶管 1
6 B230103005103 胶管总成 1
7 B230103004207 胶管 1
8 B230103006195 胶管总成 1
9 B230103003246 胶管总成 1
12 21027563 胶管 1
13 A820101117104 管夹 2
14 A210111000342 螺栓 8
15 24000633 垫圈 8
16 A239900000065 扎带 12
17 B230103004127 胶管 1
18 B230103003138 胶管 1
19 A820199000360 PT块 2
20 A210204000355 螺钉 4
22 23001051 胶管总成 1
23 A820101117116 管夹 2
24 13305841 护套 3
25 13305833 护套 1
26 B230103002946 胶管 1
30 B230103007716 胶管总成 1
31 60307232 胶管总成 1
33 B230103008477 胶管总成 1
34 B230103002238 胶管总成 1
36 A820601990304 法兰 2
37 A820601990336 波纹管φ75×450 2
38 A210111000079 螺栓 8
39 24000632 垫圈 16
40 60210245 先导阀 2 2-112
41 左手柄总装 1 2-114
42 右手柄总装 1 2-116
43 12009972 脚踏阀垫板总成右 1
44 12003641 脚踏阀垫板总成左 1
45 12009258 蝶形脚踏垫板套 1
46 12010268 脚踏阀垫板套右 1
47 A210204000334 螺钉 4
48 23000066 螺钉 4
61 24002251 螺钉 8
62 A210111000197 螺栓 4