SDCY450K4C2 Empty Container Forklift Parts Catalog O

1 60139154 Set upper engine gasket
2 60139155 Set lower engine gasket
3 60139219 Accessory drive pulley
4 60138563 Aid air heater starting
5 60139884 Agency Approval
6 60139255 Body, cylinder
7 60139988 Cam Follower
8 60139853 Crankshaft
10 60138811 Gear, housing
11 60138549 Idler Gears
12 60138805 Main bearings
13 60139256 Cylinder Block Plumbing
14 60139864 Crankcase Breather
15 60139417 Air Cleaner Plumbing
16 60139456 Coolant Heater Starting Aid
17 60140476 Air Compressor Inlet
18 60140475 Air Compressor Plumbing
19 60138851 Damper
20 60138833 Drive Fro Ger Tra Acc
21 60140461 Software, control
22 60139872 Drive, pump, fuel
24 60139386 Thermostat
25 60024455 Alternator
26 60139148 Alternator Mounting
27 60138768 Alternator Drive Pulley
28 60139153 Support, front, engine
29 60139203 Drive Fan
30 B230106000118 Belt, fan
31 60138674 Calibration Fuel Pump
32 60138886 Filter, fuel
33 60138673 Fitting, pump, fuel
34 60139879 Filter, fuel
35 60139176 Housing, flywheel
36 60138672 Pump, fuel
37 60138810 Coupling, pump, fuel
38 60138571 Rating Fuel
39 60139878 Plumbing, fuel
40 60139169 Flywheel

41 60138834 Cover Front Gear
42 60139412 Air Intake Connection
43 60139413 Air Intake Connection
44 60139419 Air Intake Manifold
45 60139420 Air Intake Manifold Mounting
46 60139926 Air Transfer Connection
47 60140079 Arrangement Lifting
48 60138752 Cooler, oil, engine
49 60138881 Filter, Oil, flow, full
50 60140097 Oil Level Gauge
1 60140216 O-ring
2 60140217 O-ring
3 60139401 Seal, grommet
4 60139410 Gasket, manifold, intake
5 60140222 O-seal ring
6 60140223 O-seal ring
7 60140224 O-seal ring
8 60140025 Turbocharger Packing
9 60139303 Pad, connector, pipe
10 60140227 O-seal ring
11 60139713 Washer, sealing
12 60140228 O-seal ring
13 60139729 Gasket, manifold, exhaust
14 60140230 O-seal ring
15 60140231 O-seal ring
16 60140232 O-seal ring
17 60140026 Turbocharger Packing
18 60140236 O-seal ring
19 60140027 Turbocharger Packing
20 60139247 Gasket, plate, cover
21 60140238 O-seal ring
22 60140065 Gasket, Rocker Lever Cover
23 60140028 Turbocharger Packing
24 60140243 O-seal ring
25 60139915 Screw Hex Flange Head Cap
26 60139100 Gasket
27 60100213 Washer
1 60139780 Washer
2 60139300 Pad, connector, pipe
3 60140206 O-seal ring
4 60140207 O-seal ring
5 60140072 Gasket, Hydraulic Pump
6 60140208 O-seal ring
7 60139396 Seal Thermostat
8 60140073 Gasket, Hydraulic Pump
9 60139891 Gasket, lub oil pump
10 60139245 Gasket, plate, cover
11 60139301 Pad, connector, pipe
12 60140265 Seal, rectangular
13 60139784 Gasket, starter
14 60140210 O-seal ring
15 60140211 O-seal ring
16 60140212 O-seal ring
17 60140216 O-ring
18 60140217 O-ring
19 60140219 O-seal ring
20 60100232 Element, seal
21 60140266 Seal, rectangular
22 60140267 Seal, rectangular
23 60140225 O-seal ring
24 60140226 O-seal ring
25 60139304 Pad, connector, pipe
26 60140268 Seal, rectangular
27 60140269 Seal, rectangular
28 60139499 Bolt
29 60100212 Washer
30 60139715 Kit Seal
31 60140120 Kit Oil Seal
32 60139393 Gasket, thermostat housing
33 60140235 O-seal ring
34 60140236 O-seal ring
35 60140270 Seal, rectangular
36 60139509 Cleaner seat Packing
37 60140237 O-seal ring
38 60140271 Seal, rectangular
39 60140272 Seal, rectangular
40 60140239 O-seal ring
41 60140240 O-seal ring
42 60140241 O-seal ring
43 60140273 Seal, rectangular
44 60140242 O-seal ring
45 60139457 Gasket, support, cooler, Oil
46 60139358 Gasket, housing, heater
47 60140156 Gasket, support
48 60139373 Gasket, support, drive, Acc
49 60140084 Gasket, pump, fuel
50 60139916 Screw Hex Flange Head Cap
51 60139917 Screw Hex Flange Head Cap
52 60140126 Screw Round Head Cap
53 60139098 Gasket
54 60139318 Kit Rear Seal Crank
55 60140332 Seal Rectangular Strip
56 60139447 Gasket, compressor, air
57 60140122 Kit Oil Seal
58 60140308 Hose, plain
59 60139216 Gasket, hole, hand

1 60139218 Pulley, drive, accessory
2 60139500 Bolt
3 60139777 Gasket, flat

1 60139410 Gasket, manifold, intake
2 60140419 Heater, air, intake
3 60140490 Tag Instruction

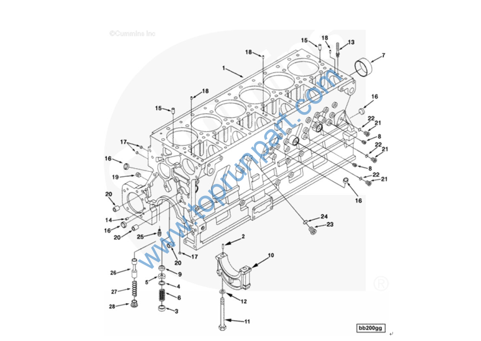
1 60139254 Body, cylinder
2 60140045 Dowel Pin
3 60140035 Plug Retainer
4 60139773 Gasket, flat
5 60138727 Disc Valve
6 60140057 Spring Compression
7 60140179 Bushing
8 60138497 Tube plug
9 60139455 Seat Prs Regulator Valve
10 60138807 Cap Main Bearing
11 60139497 Bolt
12 60139774 Gasket, flat
13 60140193 Stud
14 60140048 Dowel Pin
15 60140044 Dowel Pin
16 60139756 Plug, Expansion
17 60139755 Plug, Expansion
18 60140046 Dowel Pin
19 60138498 Tube plug
20 60138516 Dowel Ring
21 60139543 Plug, screw
22 60140216 O-ring
23 60139542 Plug, screw
24 60140218 O-seal ring
25 60140367 Sensor Viscosity
26 60139123 Plunger Prs Regulator
27 60140056 Spring Compression
28 60140036 Plug Retainer
