SDCY90K6C2 empty container handler T

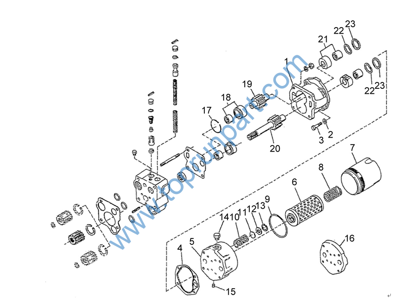
1 60168559 20GPM送液泵装配4213801 DANA
2 60134393 泵防松垫圈 DANA
3 60121881 螺栓 dana
4 60121735 垫衬-泵到过滤器 dana
5 60121653 过滤自适器 dana
6 60015465 变速箱油滤芯
7 60121736 过滤器安装套 dana
8 60121842 过滤器弹簧 dana
9 60121961 O形圈-过滤自适安装套 dana
10 60121841 过滤盘过道弹簧 dana
11 60121738 过滤器过道盘 dana
12 60121737 过滤器过道密封 dana
13 60121654 环 dana
14 60099571 安装销 DANA
15 60099571 安装销 DANA
16 60135351 泵端盖 DANA
17 60135363 止动环 DANA
18 60135364 套筒 DANA
19 60135353 齿轮轴 DANA
20 60135354 齿轮轴 DANA
21 60135365 套筒 DANA
22 60135362 密封圈 DANA
23 60135356 防松垫圈 DANA

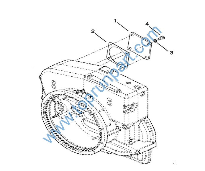
1 60121790 衬垫
2 60099665 螺钉
3 60134400 防松垫片

1 60121634 垫衬
2 60099665 螺钉
3 60099699 锁止垫圈

1 60135340 控制阀盖 DANA
2 60099509 塞 DANA
3 60121684 往返阀 dana
4 60121836 复位线轴 dana
5 60121835 复位弹簧 dana
6 60121920 针销 dana
7 60099780 检查孔塞 DANA
8 60099750 O形圈 DANA
9 60099496 管塞 DANA
10 60099764 管塞O形圈
11 60099529 蓄压器阀芯 DANA
12 60099708 蓄压器阀芯止动销 DANA
13 60121883 内弹簧 dana
14 60121925 中弹簧 dana
15 60121896 外蓄线弹簧 dana
16 60121845 缓动固定装置 dana
17 60121985 油封 dana
18 60121947 O形圈 dana
19 60121847 缓回程弹簧 dana
20 60134373 微调激励棒 DANA
21 60121848 缓校正弹簧 dana
22 60121656 缓动套 dana
23 60121939 O形圈 dana
24 60121846 缓动线轴 dana

1 60135332 控制室 DANA
2 60121964 O形圈-属部件12 dana
3 60121965 O形圈-属部件12 dana
4 60121966 O形圈-属部件12 dana
5 60134420 O形圈-属部件 DANA
7 60168580 O形圈76K122 DANA
8 60168583 电磁线圈24VN.S.S.012 DANA
9 60168579 O形圈76K121 DANA
10 60168566 齿轮230805 DANA
12 60168584 螺线管感应器4215419 DANA
13 60099496 管塞 DANA
14 60121828 调整框弹簧 dana
15 60121636 调整框 dana
21 60121907 堵头

1 60135340 控制阀盖 DANA
2 60134369 螺线管盖子 DANA
3 60134404 防松垫圈 DANA
5 60121903 线固定板 dana
6 60121904 线固定板间隔套 dana

1 60099514 持续泵连接盖
2 60099592 持续泵连接盖衬垫
3 60099593 持续泵连接盖螺钉
4 60099701 锁止垫圈

1 60121755 泵安装调整环垫衬 dana
2 60121757 泵调整环 dana
3 60099700 锁止垫圈
4 60122044 螺栓 dana
5 60099699 锁止垫圈
6 60121880 螺栓 dana
