SY550C1I3KH Hydraulic Excavator G

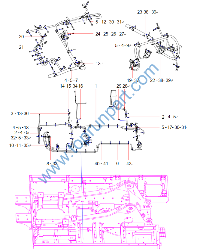
1 140704000244A Display Screen 1
2 A210204000115 Screw 4
3 24000630 Washer 4
4 24000509 Spring Shim 4
5 13421286 Control Switch Harness 1
6 A241200001217 Ignition Switch 1
7 60117463 Knob Switch 1
8 60060562 Washer 8
9 A210210000008 Screw 2
10 60041901 DK Metal Fixing Clamp 3
11 13421774 Drc40 Fixing Plate 1
12 60252865 Radio 1
13 A820606020470 Φ34 Rubber Cushion 1
14 60060300 Antenna Extension Cable 1
15 141604000168A Lighting Lamp 2
16 60119587 Harness Fixing Clamp 2
17 13416164 Electrical Mounting Plate Assembly 1
18 14235815 Controller Bracket 2
19 13307575 Engine controller bracket 2
20 A210204000340 Screw 16
21 24000633 Washer 16
22 24000511 Spring Washer 16
24 140601010118B Programmable Logic Controller 1
25 60149605 Harness Fixing Clamp 11
26 A210111000195 Bolt 14
27 A210491000120 Washer 14
28 SSY004698280 Cab Harness 1
29 A210210000023 Screw 4
30 A210307000014 Nut 4
31 12025701 Button Switch 1
32 60041443 Switch Protective Cover 1
33 60086356 Harness Fixing Clamp 2
34 60086355 Harness Fixing Clamp 2
35 60041902 Connector 90 Degrees Fixed Metal Accessory 6
36 A210307000036 Nut 4
37 A239900000065 nylon cable tie 15
38 24000632 Washer 2
39 11206238 Rubber Cushion 1
40 11133736 Boot 2

1 13307242 Platform Lamp Support 1
2 11169936 Rubber Protective Sleeve 1
3 A210204000341 Screw 4
4 24000511 Spring Washer 4
5 24000633 Washer 6
6 60041902 Connector 90 Degrees Fixed Metal Accessory 3
7 60086353 Wire Clamp 3
8 A210111000195 Bolt 18
9 A210491000120 Washer 22
10 13421287 Toolbox Harness 1
11 13300188 Rubber Protective Sleeve 1
12 60149605 Harness Fixing Clamp 3
13 A210111000197 Bolt 4
14 60260292 nylon cable tie 2
15 13416828 Distribution Box 1 5-8
16 11133736 Boot 3
18 60235464 Knob Switch 1
19 60043436 Wiring Harness 1
20 60043438 Wiring Harness 1
21 60013321 A-batter negative electrode connector assembly 2
22 A210111000202 Bolt 2
23 24000513 Spring Shim 2
24 A210491000121 Washer 2
25 13423745 Lamp Cover 1
26 141604000168A Lighting Lamp 1
27 60236171 Acid Battery 2
28 60012793 Harness 1
29 60013322 A-battery positive electrode connector assembly 2
30 60060562 Washer 4
31 A210210000030 Screw 4
32 A241300000059 Fuse 2
33 A241300000031 Fuse 4
34 A239900000065 nylon cable tie 10
35 A210210000008 Screw 2
36 24000632 Washer 2
37 60086354 Harness Fixing Clamp 2
39 60083322 Wire Clamp 1
40 13632775 Battery positive and negative connecting wire 1
41 A210204000340 Screw 2
42 24000512 Spring Washer 2

1 13418234 Mounting Bottom Board Component 1
2 13418197 Cover Plate 1
3 24000633 Washer 2
4 13418211 Front Panel Component 1
5 24000632 Washer 6
6 60249819 Screw 6
7 A210204000340 Screw 2

1 14133567 Pump Room Harness 1
2 A239900000065 nylon cable tie 22
3 A210491000120 Washer 8
4 24000512 Spring Washer 1
5 13309252 Proportional Valve Harness Fixed Frame 1
6 A210111000342 Bolt 1
7 A210111000195 Bolt 6
8 60086353 Wire Clamp 5
9 24000633 Washer 1
10 11169936 Rubber Protective Sleeve 1
11 11400099 The Clamp of AMP 2
12 11166822 Steel Pipe 1
13 A210111000295 Bolt 1
14 60041902 Connector 90 Degrees Fixed Metal Accessory 1
15 13514525 Electromagnetic Pump Switch 1

1 SSY004691755 Car Body Harness (Huaxing Controller) 1
2 60083322 Wire Clamp 26
3 60086354 Harness Fixing Clamp 12
4 A210111000195 Bolt 54
5 A210491000120 Washer 62
6 60242056 Power Line 1
7 60086357 Harness Fixing Clamp 12
8 13514948 Support, Harness 1
9 60086355 Harness Fixing Clamp 8
10 A210111000101 Bolt 20
11 60060548 Washer 1
12 60086356 Harness Fixing Clamp 5
13 60238783 Washer 1
14 A210210000003 Screw 1
15 24000630 Washer 1
16 11169936 Rubber Protective Sleeve 2
17 60119587 Harness Fixing Clamp 1
18 60041902 Connector 90 Degrees Fixed Metal Accessory 4
19 60149605 Harness Fixing Clamp 12
20 11768685 Clamp Fixed Frame Ⅱ 4
21 13840915 Proportional Valve Harness Fixed Frame 1
Component
22 60202066 Speaker 1
23 60202067 Speaker 1
24 12060843 Line Clamp Mitsubishi 1
25 12060897 Sumitomo Connector Fixed Clamp 2
26 12061491 YAZAKI Connector Fixed Clamp 1
27 12061200 SWP Connector Fixed Clamp 1
28 11844004 Rubber Protective Sleeve 1
29 11133736 Boot 1
30 A210111000295 Bolt 4
31 11166822 Steel Pipe 4
32 24000512 Spring Washer 4
33 A210111000012 Bolt 1
34 A239900000065 nylon cable tie 35
35 A210491000121 Washer 19
36 A210210000008 Screw 1
37 13300235 Plug-in Mounting Support 1
38 A210111000323 Bolt 4
39 24000633 Washer 4
40 60149607 the Fixity of Line 2
41 11206238 Rubber Cushion 1
42 11206203 Φ40 Rubber Cushion 1

1 141604000169A Lighting Lamp 2
2 A210111000195 Bolt 20
3 A210491000120 Washer 20
4 60041902 Connector 90 Degrees Fixed Metal Accessory 3
5 60083322 Wire Clamp 18
6 A239900000053 Nylon Ribbon 2
7 A210491000118 Washer 2
8 A210111000212 Bolt 2
9 13584605 Lamp Frame 2
10 13288800 Boom Harness 1
