SY335C9I2KH Hydraulic Excavator Parts Catalog H

1 A210307000028 4 螺母 Nut
2 A210491000120 8 垫圈 washer
3 A210111000012 8 螺栓 M10×20GB5783 10.9级 Bolt
4 11546613 4 垫板 Cushion board
5 B229900000244 2 司机室支承 Cab, mount
6 A210111000024 24 螺栓 Bolt
7 12324425 1 底板 Base PlateSY335C9I2K.1.5.6.1
8 12827984 2 橡胶垫 Pad, rubber
9 B229900000245 2 司机室支承 Cab, support
10 A820606030753 1 地板垫 Floor Cushion
11 A820606030056 2 护孔环 protecting ring
12 11937141 1 脚踏阀密封垫 Gasket
13 A810402050021 1 连接板 Plate
14 11935737 1 密封海绵 Foam, seal
15 11593942 4 垫片 Spacer
16 12385099 1 驾驶室底板海绵 Cab, seal
17 A820606030059 1 护孔环 protecting ring
18 A210491000118 4 垫圈 High-strength steel washer
19 A820699000215 1 背部海绵 Back sponge
20 12768939 1 驾驶室底板海绵 Cab, seal
21 12768943 2 驾驶室底板海绵 Cab, seal
22 11594064 4 垫片 Cab, shim

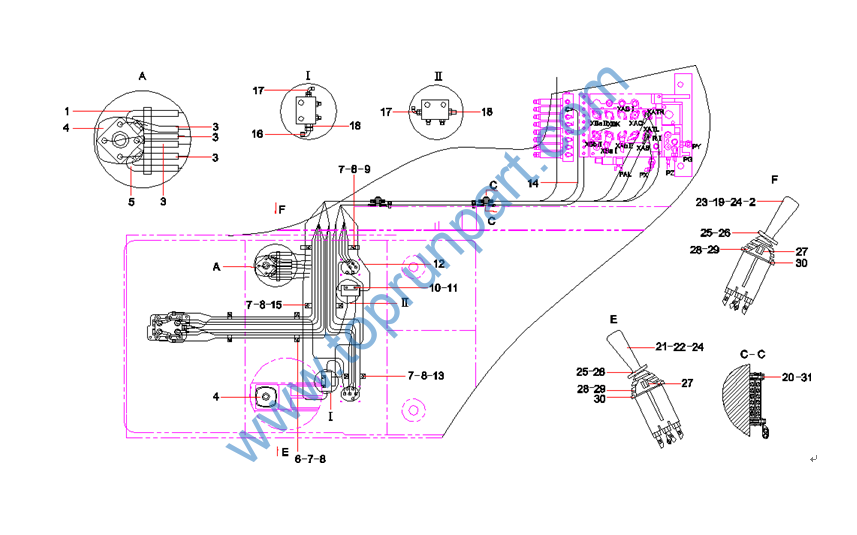
1 11772669 1 PPC管路 PPC pipeline SY335C9I2K.1.4.1
2 12757265 1 电磁阀管路 Electromagnetic valve pipeline
3 12757236 1 主阀管路 Main valve pipeline
4 12757217 1 主泵管路 Main pump pipeline
5 60086356 1 线束固定夹 Clamp
6 A210111000012 1 螺栓 M10×20GB5783 10.9级 Bolt
7 变更或见其他配置 1 垫圈10GB97.1 达克锈 Washer
8 60086354 1 线束固定夹 Clamp
9 A210111000199 1 螺栓M12×20GB5783 10.9级 Bolt

1 B230103000982 1 胶管 Hose AS
2 A210204000334 4 螺钉M10×16GB70.1 10.9级 Bolt, socket head
3 B230103004256 1 胶管 Hose AS
4 B230103001563 2 胶管 Rubber hose
5 B230103002275 1 胶管 Rubber hose
6 B230103000899 2 胶管 Rubber hose
7 60170604 1 先导阀PVD8PC6008(脚踏) Valve, travel
8 B230103002658 1 胶管 Hose AS
9 B230103002263 1 胶管 Hose AS
10 A831211120000 1 胶管 Hose AS
11 B230103003988 1 胶管 Hose
12 B230103002649 1 胶管 Hose
13 A820601990304 2 法兰 Flange
14 A820601990336 2 波纹管 Grommet
15 11243401 2 胶套 Sleeve, rubber
16 A210111000079 8 螺栓 Bolt
17 24000632 8 垫圈6GB97.1 达克锈 washer
18 B230103004390 1 胶管 Hose
19 B230103002650 1 胶管 Hose
20 A230101000247 8 O形圈 O-ring 10.9×2.3(JISB2401)
21 A820205000839 6 接头 Fitting
22 A820205000940 7 接头 Fitting
23 B230101000047 10 O形圈 O-Ring-10.8
24 A820205000946 10 接头 Fitting
25 B230101000049 10 O形圈 O-ring
26 60020078 3 过滤接头 Fitting, screen

1 B230103000983 1 胶管 Hose
2 A229900006438 1 插入件 Insert, switch
3 B230103002569 4 胶管 Hose
4 B220401001302 2 先导阀 Valve, pilot
5 B230103005981 1 胶管 Rubber Hose
6 A820101117104 2 管夹 pipe nip
7 A210111000342 10 螺栓M8×16GB5783 10.9级 Bolt
8 60060565 10 垫圈8GB96.1 达克锈 Washer
9 11076393 1 管夹 pipe nip
10 A820199000360 2 PT块 Block, PT
11 21005186 4 螺栓 Bolt
12 B230103004385 1 胶管 Hose Assembly
13 A820101117116 1 管夹 Clamp
14 B230103002553 1 胶管 Rubber Hose
15 10379080 1 管夹 pipe nip
16 B210780000024 1 直角组合接头 Fitting, Elbow
17 B210780000418 2 管接头 Fitting
18 A820205000894 2 接头 Fitting
19 B229900001614 1 右手柄 Joystick, right
20 A210204000028 2 螺钉 Screw M12×75GB70.1-00
21 B229900001613 1 左手柄 Joystick , left
22 60116344 1 插入件 Insert, switch
23 变更或见其他配置 1 按钮开关 Switch
24 A210264000022 2 自攻螺钉 Screw, self-tapping
25 11050165 2 手柄 Handle, grip
26 A210308000006 2 螺母 Nut
27 A210307000002 2 螺母 Nut
28 A229900006446 2 罩 Joystick, rubber cover
29 A229900001028 2 罩 Joystick, rubber cover
30 A229900001027 2 板 Plate
31 A210491000121 2 垫圈 Washer

6 60237073 2 内六角螺钉 Screw
9 60237074 2 压盘 Mount, lower
12 60237075 1 安装板 Plate
23 60237078 2 内六角螺钉 Screw, socket head
31 60008690 4 轴套 Sleeve, shaft
32 60008585 2 凸轮轴 Shaft
33 60008591 2 凸轮 Mount, upper
34 60237082 2 紧定螺钉 Screw, set
35 60008592 4 调整螺杆 Screw, adjusting
36 60038480 4 螺母 Nut
37 60237083 2 护套 Cover, rubber
38 60331164 1 脚踏先导阀维修包 Kit, seal

2 60237072 1 阀体 Valve
3 60008728 1 紧定螺钉 Screw, set
10 60163768 4 堵 Plug
11 60008754 4 盖 Cover
13 60163771 4 防尘圈 Ring, dust
15 60038720 4 O形圈 O-ring
17 60273527 4 柱塞 Rod
19 60008756 4 弹簧座 Seat, spring
20 60038563 2 内六角螺钉 Screw, socket head
21 60008803 4 活塞 Piston
22 60237077 12 滚珠 Ball, steel
29 60008766 4 弹簧 Spring
30 60008767 4 弹簧 Spring

1 60273523 1 壳体 Valve, travel, pilot
4 60273524 2 堵头 Plug
5 60221657 2 O形圈 O-ring
7 60273525 2 阀座 Spool, cartridge
8 60273526 2 滚珠 Ball, steel
14 60038727 2 O形圈 O-ring
16 60038820 4 O形圈 O-ring
18 60008597 4 垫圈 Washer
24 60273528 4 阀芯 Spool
25 60237080 4 弹簧座 Seat, spring
26 60008589 4 垫圈 Washer
27 60008594 4 弹簧 Spring, small
28 60038221 4 弹簧 Spring, large
